This feeder is designed for the automatic stripping and feeding of roll-type materials such as paper labels, protective films, foam, double-sided tape, conductive adhesive, copper foil, steel sheets, and reinforcement plates. It adopts an industrial-grade intelligent design, offering strong compatibility, high feeding speed, and customizable feeding parameters. The unit includes both online and automatic modes for user convenience, supports fault alarm output and remote reset, and offers optional GPIO or RS232 communication. Parameters can be displayed and configured via a user-friendly color touchscreen. Integrated into automated equipment, this feeder effectively enables automatic material supply and enhances production efficiency, making it well-suited for SMT, 3C manufacturing, and logistics industries.


Operating Principle:
1.The feeder delivers the material, ensuring complete peeling and discharge of the material.
2.After the material is completely delivered, the suction nozzle picks it up.


Please refer to the above figure for selection based on equipment requirements. For example, the QT80L (left machine) model, with a bottom film width of less than 80mm and a material-to-bottom film edge distance of greater than 5mm.
Application: The front-push roll feeder is suitable for automatically peeling and feeding roll materials such as paper labels, protective films, foams, double-sided tapes, conductive tapes, copper foils, steel sheets, and reinforcement plates.
Advantages: High efficiency and short cycle time (CT).
Disadvantages: Has certain requirements for material characteristics.
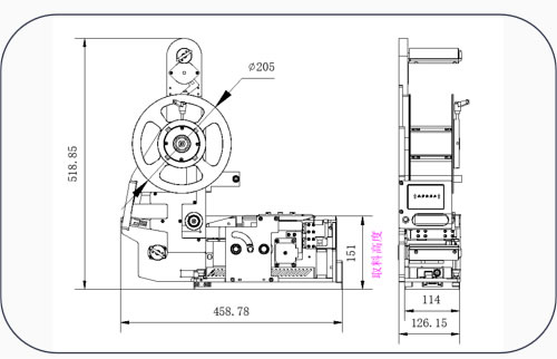
Feeding speed: 60mm/s, Feeding accuracy: ±0.25mm (excluding errors caused by material characteristics).


Feeder Extraction: Lift the rotary locating pin, hold the handle with your left hand, support the bottom of the feeder with your hand, and slowly pull out the feeder body in the direction indicated (as shown in the schematic diagram).
Note: Pull out slowly to prevent detachment!
Advantage: The feeder body can be quickly assembled and disassembled, providing convenience and efficiency.


